
全國免費客服電話 18268652722 郵箱:www.jungshuodz@163.com
手機:18268652722
電話:18268652722
地址:寧波市北侖區大碶廟前山路45號
人氣:


四象限變頻器滿足各種工業應用的需求,特別適合起重設備等大慣量勢能負載。該設備轉動慣量GD較大,屬重復性短時連續工作系統。從高速到低速的減速度明顯下降。制動時間短,要求制動效果強,或需要長期重載電制動。為了防止直流公共母線直流電壓過度上升,有兩種可能的方法:變頻器本身阻止功率從電機反饋到變頻器,通過限制制動來保持直流母線電壓恒定。扭矩。
根據變頻器的額定電壓,當母線電壓超過規定的直流電壓時,制動斬波器自動啟動并投入工作。 KEYENCE視覺系統,逆變線,高速大容量智能,精確的文字識別可快速啟動長期使用,解決機器視覺的各種問題。在某些工況下,能量主要從機械設備反饋到變頻器,例如絡紗機或上坡和下坡傳動帶。
我發現很多同事遇到很多問題都是因為忽略了電機在某個時間處于某個象限,導致出現問題,不知所措。對此感興趣的朋友可以在百度上詳細了解不同工作象限的電機。狀態分析相關的理論知識。
在很多場合,由于電機在制動過程中處于發電狀態,因此電機相當于發電機。電能反饋至逆變器并到達直流母線兩端。根據逆變器的基本原理,此時直流線上的電容器開始充電,但一旦電容器無法消耗,反饋電壓高于母線閾值,變頻器就會報警。采用變頻器調速,扭矩方向的改變不再依賴于旋轉方向的改變。
四象限矢量逆變器采用IGBT模塊作為整流器件,采用高速、高運算能力的DSP產生PWM控制脈沖,可以調節功率因數,消除對電網的諧波污染,使逆變器真正是一種綠色產品。當電機正轉制動時,此時電機工作在哪個象限,驅動電機的變頻器經常報警,如直流母線電壓過高,如何解決?在標準傳輸中,整流器典型的6脈沖和12脈沖二極管整流器只能將交流電整流為直流電,而不能將直流電反向為交流電。
與普通二象限逆變器相比,更加節能;由于四象限逆變器采用IGBT模塊作為整流器件,因此實現了能量的雙向流動,無需任何額外裝置即可將再生能量反饋到電網。節能運行效果。在一些電機需要反饋能量的應用中,如電梯、提升機、離心機系統、抽油機等,只能在二象限變頻器上加電阻制動單元來消耗電機反饋的能量。在一些大功率應用中,還需要四象限變頻器來減少對電網的諧波污染。
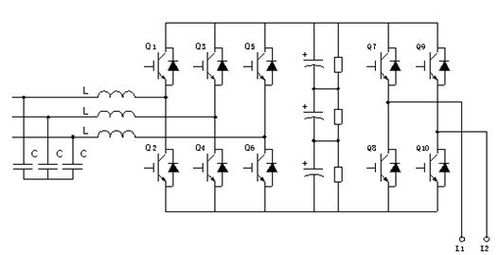
一方面可以調節輸入功率因數,消除對電網的諧波污染,使逆變器真正成為綠色產品。眾所周知,一般通用變頻器的橋式整流電路是三相不可控的,因此無法實現直流電路與電源之間的雙向能量傳遞。解決這一問題最有效的方法是采用有源逆變技術,如圖1所示。
相關推薦