
全國免費客服電話 18268652722 郵箱:www.jungshuodz@163.com
手機:18268652722
電話:18268652722
地址:寧波市北侖區大碶廟前山路45號
人氣:


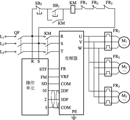
控制電路由以下電路組成:頻率和電壓計算電路、主電路電壓和電流檢測電路、電機轉速檢測電路、放大計算電路控制信號的驅動電路、逆變器和電機的保護電路。
目前,絕大多數通用變頻器都是AC-DC-AC型變頻器,特別是電壓變頻器。主電路圖(見圖1.1)是變頻器的核心電路,由整流電路組成。 (交直流交換)、直流濾波電路(能耗電路)和逆變電路(交交轉換),當然還包括限流電路、制動電路、控制電路等組成。
IGBT是逆變器的核心部件。其作用是將直流電轉變為交流電以供電機使用。與其他電力電子器件相比,IGBT具有可靠性高、驅動簡單、易于保護、耐壓高、無緩沖電路、開關頻率高等特點。鑒于此,開發了高電壓、大電流、高頻的高壓IGBT,并將其應用于變頻調速器中,以獲得更高輸出電壓等級的器件。如果變頻器配備制動單元和制動電阻(這兩個器件為選配),變頻器可以短時間接通電阻,將再生電能以熱能的形式消耗掉,稱為能耗制動。
運算電路將外部的速度、扭矩等指令與檢測電路的電流、電壓信號進行比較,確定變頻器的輸出電壓和頻率。如果濾波電路部分采用電解電容,則為電壓型逆變器;如果使用電抗器,則為電流型逆變器。國內外常用的逆變器都是電壓型逆變器。
圖1中,在濾波電容C1、C2兩端并聯一個電阻,是為了使兩個電容上的電壓基本相等,防止電容在工作時損壞(目前,由于技術進步,低-電壓(380V)變頻器大多數電解電容不需要串聯使用)。額定電壓在400VDC500VDC之間,容量誤差20%左右;變頻器常用電解電容器的額定電壓為:40OVDC,抗沖擊電壓為440V。
其中:RB—制動電阻,IMN—電機額定電流,UDH—780VDC-800VDC,變頻器直流電路允許的最大電壓。盡管AC-DC-AC變頻器具有輸出頻率高、功率因數高的優點,但AC-DC-AC變頻器仍然存在許多需要改進的問題:AC-DC-AC變頻器的PWM調制會產生諧波、噪音、軸電流等問題。低頻運行時交直交變頻器的過載能力會降低。一般5Hz以下運行時,變頻器的過載能力減半;
如圖所示,IGBT三相電源主電路中有兩個電流傳感器CT1/CT2。它們的主要功能是檢測輸出電流,保護IGBT,保護電機,并通過顯示面板顯示逆變器的實際輸出電流。 AC-DC逆變器可分為電壓型和電流型兩種。由于控制方法和硬件設計等多種因素,電壓型逆變器被廣泛使用。
電壓型AC-DC變換器雙饋發電機定子磁場定向矢量控制系統實現了基于風力發電機最大功率點跟蹤的發電機有功功率和無功功率的解耦控制。是目前變速恒頻風力發電的一個代表方向。
相關推薦