
全國免費客服電話 18268652722 郵箱:www.jungshuodz@163.com
手機:18268652722
電話:18268652722
地址:寧波市北侖區大碶廟前山路45號
人氣:

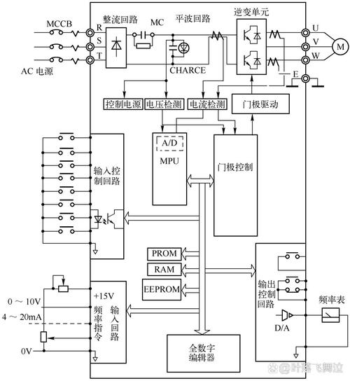
變頻器是一種電動機專用的調速裝置,它將固定頻率和電壓的交流電轉換為可調頻率和電壓的交流電,實現電動機的調速控制。變頻器的工作原理基于逆變器技術,通過對輸入電源的調整,控制輸出電壓和頻率,從而改變電動機的轉速。變頻器在工業領域中應用廣泛,因其不僅可以提高電機的效率和工作靈活性,還可以有效降低能耗,減少設備損耗,提升生產效率。
變頻器主要由逆變器、整流器、濾波器和控制電路等幾個關鍵部件組成。其工作流程如下:
1. 輸入交流電首先通過整流器將交流電轉換為直流電;
2. 直流電再經過濾波器消除電流中的紋波,使電源輸出電壓穩定;
3. 變頻器控制電路根據用戶的輸入信號和需要調整的電機參數,產生適當的脈寬調制信號;
4. 逆變器根據控制信號對直流電進行逆變,輸出可調頻率和電壓的交流電;
5. 輸出交流電通過電磁線圈傳送給電動機,實現對電機轉速的精確控制。
1. 檢查電源:檢查變頻器的電源輸入是否正常,如電壓是否穩定、電壓波動是否過大等。
2. 檢查電機:對電動機進行檢查,查看電機的轉子是否受損、定子線圈是否正常,以及軸承是否磨損。
3. 檢查電路連接:檢查變頻器與電機之間的電路連接是否松動或接觸不良。
4. 檢查故障代碼:變頻器通常會顯示故障代碼,通過查閱設備手冊可以了解故障原因,進行相應維修。
5. 清潔散熱器:定期清潔變頻器的散熱器,保持其通風良好,以確保正常散熱。
需要注意的是,在進行維修和保養時,應先切斷電源,并確保自身安全。
綜上所述,變頻器是一種重要的調速裝置,在工業自動化控制中起著至關重要的作用。了解變頻器的工作原理和維修方法,對于保障設備的正常運行具有重要意義。
相關推薦